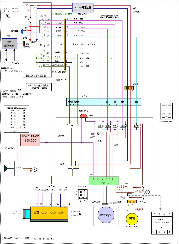
子局側の結線図